586-02-00 J

• ציר לדלתות שמאליות וימניות
• כושר נשיאה 60 ק"ג/2 צירים
• קוטר 15 מ"מ
• לשימוש בפרופילי עץ
• למסגרות

* איורים וגימורים דומים

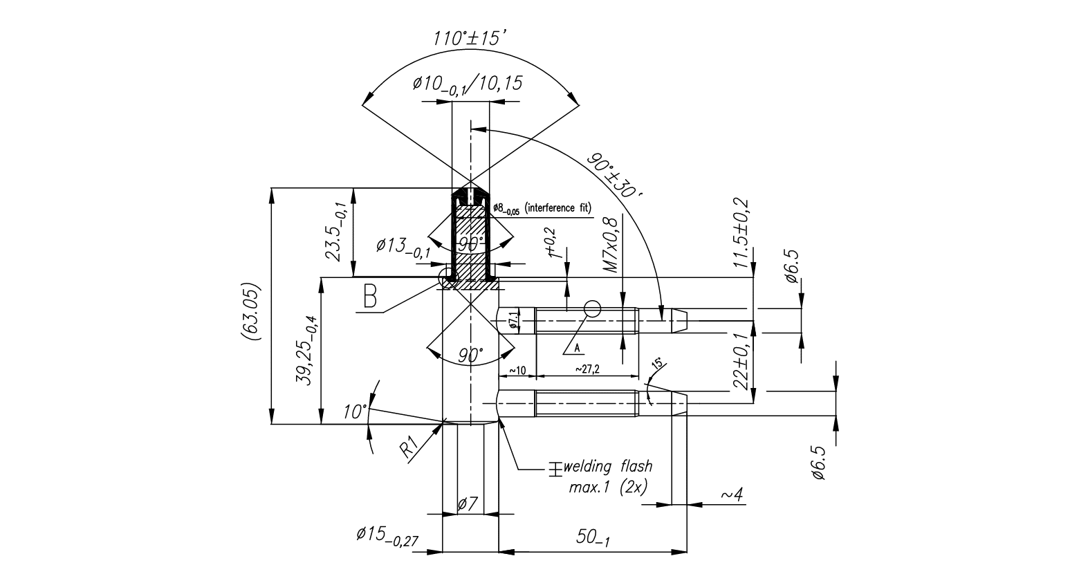
שרטוט טכני

מפתח סיווג

סיווג לפי EN 1935

2

7

3

0

1

-*

0

10

* עמידות בפני קורוזיה בהתאם לגימור

מוצרים קשורים

H 634-00-00

Ebp705-0

D 901-00-00

D 725-00-00 AF-P

D 725-00-00 AC-P

D 695-00-00 L

D 695-00-00 K

D 674-00-00 Z

D 674-00-00 L3

D 513-00-00 E3