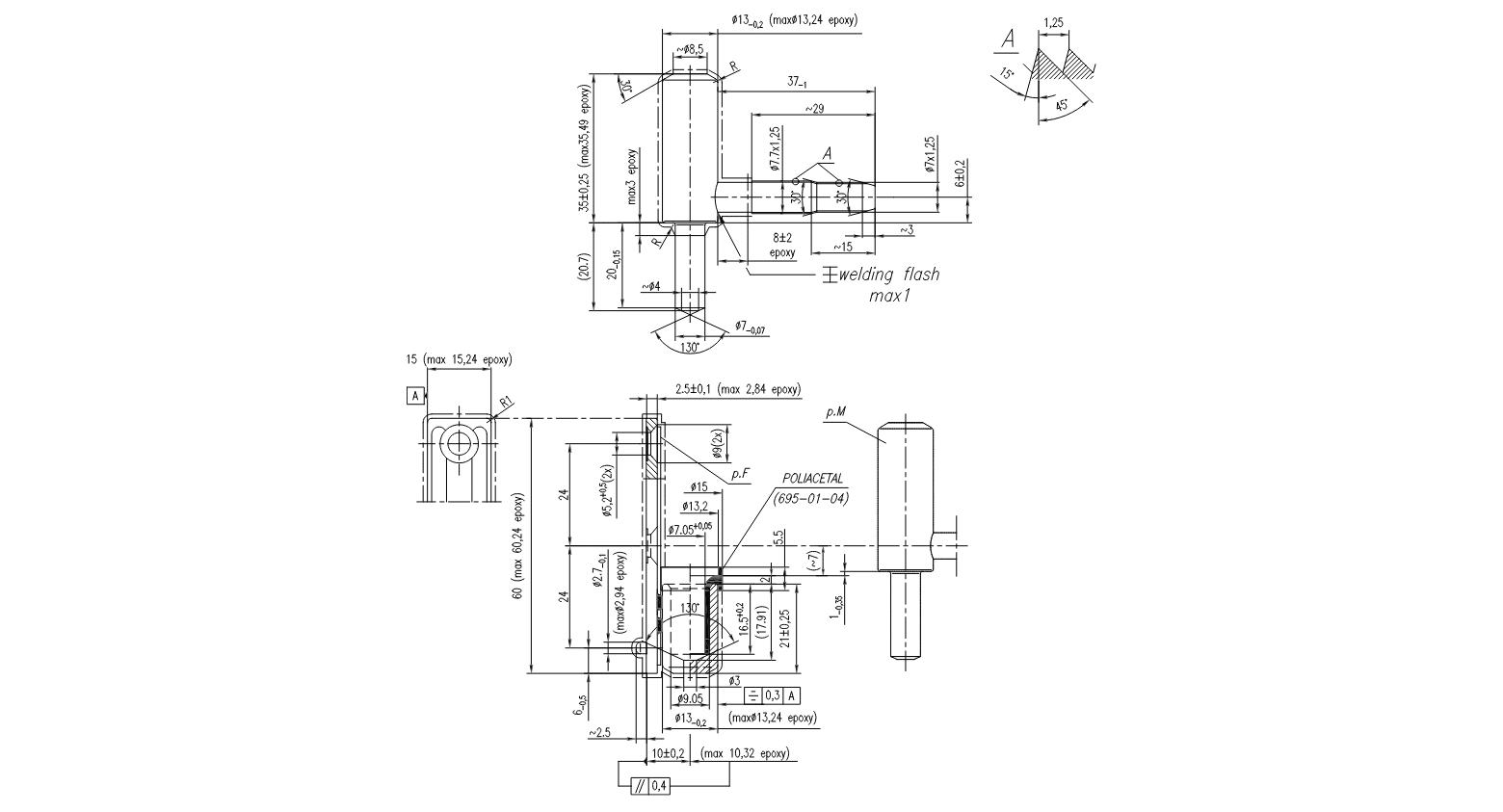
D 695-00-00 K

• ציר לדלתות שמאליות וימניות
• כושר נשיאה 40 ק"ג/2 צירים
• קוטר 13 מ"מ
• לשימוש בפרופילי PVC
• למסגרות, דלתות וחלונות

* איורים וגימורים דומים

שרטוט טכני

מפתח סיווג

סיווג לפי EN 1935

1

4

2

0

1

-*

0

6

* עמידות בפני קורוזיה בהתאם לגימור

מוצרים קשורים

H 634-00-00

Ebp705-0

D 901-00-00

D 725-00-00 AF-P

D 725-00-00 AC-P

D 695-00-00 L

D 674-00-00 Z

D 674-00-00 L3

D 513-00-00 E3

C 838-00-00 J